Шаговый двигатель KRS282-6095 предназначен для:
Вал по фронту | KRS282S-6095 |
Вал с двух сторон | KRS282D-6095 |
Выводы | 6 униполяр |
Макс. статический момент, гхсм | 600 |
Номинальный ток фазы, А | 0,95 |
Номинальное сопротивление обмотки одной фазы, Ом | 3,2 |
Номинальная индуктивность обмотки одной фазы, мГн | 1,2 |
Длина корпуса, мм | 41 |
Масса, кг | 0,130 |

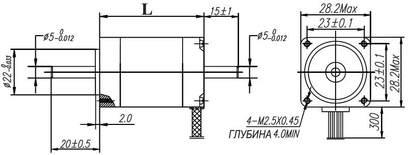
Схема - габаритные размеры двигателя
ДОСТАВКА
Вы можете выбрать любой наиболее удобный способ из перечисленных ниже:
Доставка до терминала ТК «Деловые линии» осуществляется нами бесплатно.
ОПЛАТА
Мы принимаем оплату:
Цены на поставляемые нами товар всегда ниже, чем у наших конкурентов.
Условия гарантийного обслуживания
Гарантия не распространяется на ущерб, причиненный другому оборудованию, работающему вместе с данным изделием.
Центр измерительной техники «Эталонприбор» располагает своим собственным ремонтным сервисом, где Вы можете получить услуги по: ремонту, наладке, калибровке, гарантийному и послегарантийному обслуживанию измерительного оборудования, как приобретенного у нас, так и у других поставщиков. Сервис работает на основе лицензии, выданной Ростехрегулированием РФ.
