Шаговый двигатель KRS863 (фланец 86 мм) предназначен для:
Вал | Выводов | Макс. статический момент, кг.см | Номинальный ток фазы, А | |
по фронту | с двух сторон | |||
Длина корпуса – 117 мм | ||||
KRS863S-8200 | KRS863D-8200 | 8 униполяр | 58 | 2 |
--//--параллельно | биополяр | 82 | 2,8 | |
--//--последовательно | биополяр | 82 | 1,4 | |
KRS863S-4300 | KRS863D-4300 | 4 биополяр | 82 | 3 |
KRS863S-8300 | KRS863D-8300 | 8 униполяр | 58 | 3 |
--//--параллельно | биополяр | 82 | 4,2 | |
--//--последовательно | биополяр | 82 | 2,1 | |
KRS863S-4450 | KRS863D-4450 | 4 биополяр | 82 | 4,5 |
KRS863S-8560 | KRS863D-8560 | 8 униполяр | 58 | 5,6 |
--//--параллельно | биополяр | 82 | 8 | |
--//--последовательно | биополяр | 82 | 4 | |
KRS863S-4600 | KRS863D-4600 | 4 биополяр | 82 | 6 |
KRS863S-4850 | KRS863D-4850 | 4 биополяр | 82 | 8,5 |
Вал | Номинальное сопротивление обмотки одной фазы, Ом | Номинальная индуктивность обмотки одной фазы, мГн | |
по фронту | с двух сторон | ||
Длина корпуса – 117 мм | |||
KRS863S-8200 | KRS863D-8200 | 5 | 29 |
--//--параллельно | 2,5 | 29 | |
--//--последовательно | 10 | 116 | |
KRS863S-4300 | KRS863D-4300 | 2,2 | 24,8 |
KRS863S-8300 | KRS863D-8300 | 2,08 | 12,2 |
--//--параллельно | 1,4 | 12,2 | |
--//--последовательно | 4,16 | 48,8 | |
KRS863S-4450 | KRS863D-4450 | 1,2 | 13,2 |
KRS863S-8560 | KRS863D-8560 | 0,83 | 3,7 |
--//--параллельно | 0,42 | 3,7 | |
--//--последовательно | 1,66 | 14,8 | |
KRS863S-4600 | KRS863D-4600 | 0,55 | 6,2 |
KRS863S-4850 | KRS863D-4850 | 0,4 | 3 |

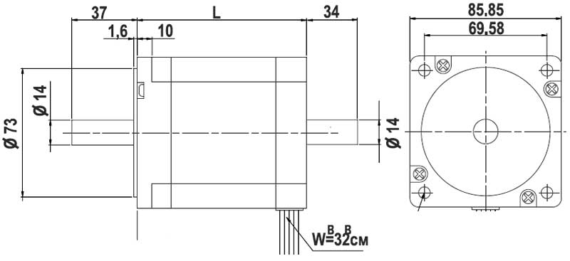
Схема - габаритные размеры двигателя
ДОСТАВКА
Вы можете выбрать любой наиболее удобный способ из перечисленных ниже:
Доставка до терминала ТК «Деловые линии» осуществляется нами бесплатно.
ОПЛАТА
Мы принимаем оплату:
Цены на поставляемые нами товар всегда ниже, чем у наших конкурентов.
Условия гарантийного обслуживания
Гарантия не распространяется на ущерб, причиненный другому оборудованию, работающему вместе с данным изделием.
Центр измерительной техники «Эталонприбор» располагает своим собственным ремонтным сервисом, где Вы можете получить услуги по: ремонту, наладке, калибровке, гарантийному и послегарантийному обслуживанию измерительного оборудования, как приобретенного у нас, так и у других поставщиков. Сервис работает на основе лицензии, выданной Ростехрегулированием РФ.
