Светодиодное табло ТСКЛ-С предназначено для замены ламп накаливания табло ТСКЛ-У, без изменения принципиальных схем питания и конструкции посадочных мест.
| Ток питания | 50мА | 0,015А |
| Ток зажигания | 0,015А | |
| Угол поля зрения | 100о | |
| Сила света | 40 Кд | |
| Посадочные диаметры | 12мм | |
| Ударный ток перегрузки | 2 А | |
| Температурный диапазон | -15оС ... +40оС | |
| Цвета свечения | Красный, желтый, зеленый, белый, синий | |
| Срок службы | 10 лет | |
| Дополнительная информация | Неполярные, виброударопрочные | |
| Масса | 0,050 кг | |
Светодиодное табло изготавливается в двух модификациях:

Рисунок 1 - Функциональная схема

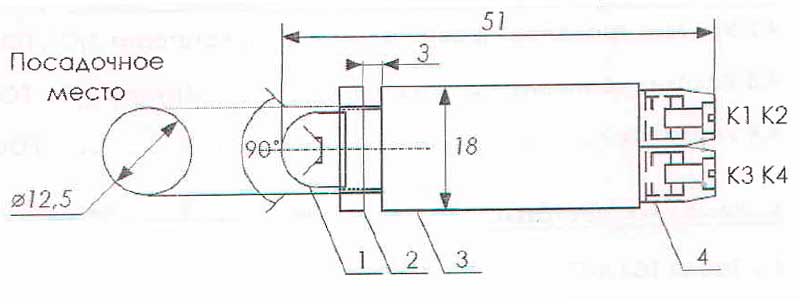
Рисунок 2 - Габаритные размеры

Рисунок 3 - Наружный резистор

Рисунок 4 - Установка арматуры в штатный корпус
ДОСТАВКА
Вы можете выбрать любой наиболее удобный способ из перечисленных ниже:
Доставка до терминала ТК «Деловые линии» осуществляется нами бесплатно.
ОПЛАТА
Мы принимаем оплату:
Цены на поставляемые нами товар всегда ниже, чем у наших конкурентов.
Условия гарантийного обслуживания
Гарантия не распространяется на ущерб, причиненный другому оборудованию, работающему вместе с данным изделием.
Центр измерительной техники «Эталонприбор» располагает своим собственным ремонтным сервисом, где Вы можете получить услуги по: ремонту, наладке, калибровке, гарантийному и послегарантийному обслуживанию измерительного оборудования, как приобретенного у нас, так и у других поставщиков. Сервис работает на основе лицензии, выданной Ростехрегулированием РФ.
