Вкладыш кабельроста В1 предназначен для крепления стативов постов ЭЦ по верху и прокладки по них:
| Технический норматив | ТУ32ЦШ1898-86 |
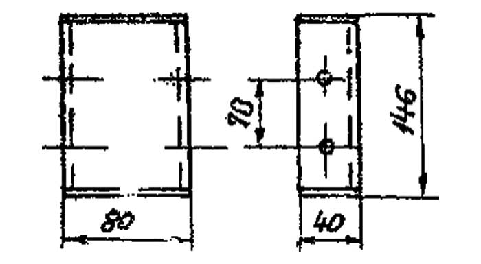
| Расстояние между коммутаторами,мм | 70 |
| Габаритные размеры, мм | 146х80х40 |
Вкладыш кабельроста устанавливается между распорками при отсутствии статива открытого типа в релейном помещении.

Схема - габаритные размеры вкладыша
ДОСТАВКА
Вы можете выбрать любой наиболее удобный способ из перечисленных ниже:
Доставка до терминала ТК «Деловые линии» осуществляется нами бесплатно.
ОПЛАТА
Мы принимаем оплату:
Цены на поставляемые нами товар всегда ниже, чем у наших конкурентов.
Условия гарантийного обслуживания
Гарантия не распространяется на ущерб, причиненный другому оборудованию, работающему вместе с данным изделием.
Центр измерительной техники «Эталонприбор» располагает своим собственным ремонтным сервисом, где Вы можете получить услуги по: ремонту, наладке, калибровке, гарантийному и послегарантийному обслуживанию измерительного оборудования, как приобретенного у нас, так и у других поставщиков. Сервис работает на основе лицензии, выданной Ростехрегулированием РФ.
