Модуль питания Д±5В-03-01 предназначен для питания любой аппаратуры, в том числе для работы в составе цифровых АТС.
Два независимых канала, возможность непрерывной работы при максимальной нагрузке.

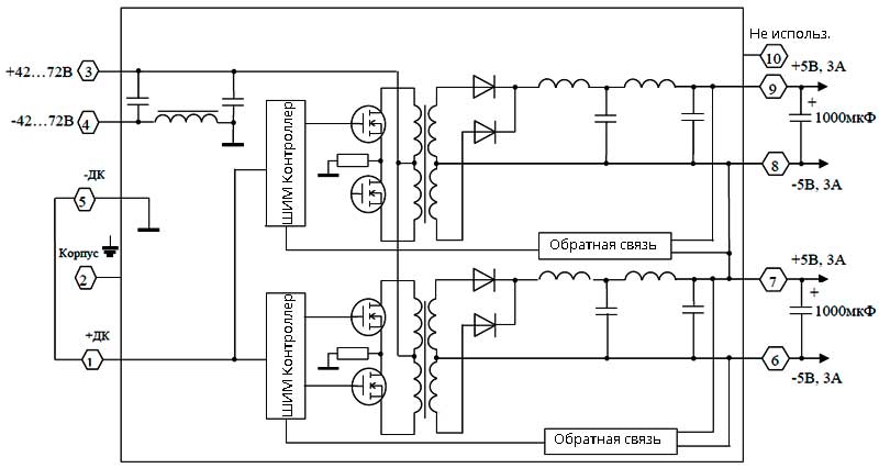
Схема - включение и нумерация выводов модуля
Показатель | Значение |
Входное напряжение, В | 42…72 |
Выходное напряжение, В | ±5 |
Максимальный ток нагрузки, А | ±3 |
Выходная мощность, Вт | 30 |
КПД, % | 85 |
Пульсация выходного напряжения, мВ | 40 |
Нестабильность выходного напряжения, % | 1 |
Температурный диапазон работы, °С | -40…85 |
Напряжение изоляции вход-выход, кВ | 1 |
Тактовая частота, кГц | 200 |
Габаритные размеры, мм | 5,6х75,6х15 |
Масcа, г | 155 |
Гарантия, лет | 10 |
ДОСТАВКА
Вы можете выбрать любой наиболее удобный способ из перечисленных ниже:
Доставка до терминала ТК «Деловые линии» осуществляется нами бесплатно.
ОПЛАТА
Мы принимаем оплату:
Цены на поставляемые нами товар всегда ниже, чем у наших конкурентов.
Условия гарантийного обслуживания
Гарантия не распространяется на ущерб, причиненный другому оборудованию, работающему вместе с данным изделием.
Центр измерительной техники «Эталонприбор» располагает своим собственным ремонтным сервисом, где Вы можете получить услуги по: ремонту, наладке, калибровке, гарантийному и послегарантийному обслуживанию измерительного оборудования, как приобретенного у нас, так и у других поставщиков. Сервис работает на основе лицензии, выданной Ростехрегулированием РФ.
