Ионизационный электрод МК 1443.00.00.00.665 используется как датчик горения в газовом оборудовании.
Поджигающий электрод и электрод контроля пламени могут быть помещены вместе в камеру сгорания газового оборудования – газовых котлов, проточных нагревателей воды, газовых плит, плиток и т.д.
Изготавливается из керамической массы с высоким содержанием AI2O3.
Характерной чертой этой керамики является высокая механическая прочность и стойкость по отношению к температурной и электрической нагрузке (электрическая прочность изолятора составляет 18КВ).
Аналог SIT IS 021.

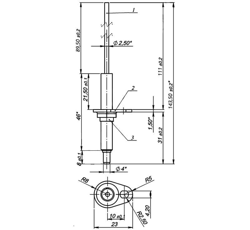
Конструктивная схема электрода
ДОСТАВКА
Вы можете выбрать любой наиболее удобный способ из перечисленных ниже:
Доставка до терминала ТК «Деловые линии» осуществляется нами бесплатно.
ОПЛАТА
Мы принимаем оплату:
Цены на поставляемые нами товар всегда ниже, чем у наших конкурентов.
Условия гарантийного обслуживания
Гарантия не распространяется на ущерб, причиненный другому оборудованию, работающему вместе с данным изделием.
Центр измерительной техники «Эталонприбор» располагает своим собственным ремонтным сервисом, где Вы можете получить услуги по: ремонту, наладке, калибровке, гарантийному и послегарантийному обслуживанию измерительного оборудования, как приобретенного у нас, так и у других поставщиков. Сервис работает на основе лицензии, выданной Ростехрегулированием РФ.
