Пилотная горелка ЗГ-Д-ОВ серия 1443-130 предназначена для розжига пламени основных горелок котлов, печей и иных горелочных устройств бытового энергетического оборудования.
В сборе 2 факела, без электрода розжига, инжектор 0,41 мм (100-001), подсоединение газа 6 мм, имеет отверстие для подсоединения миливольтового генератора.
Аналог SIT 0190-604.

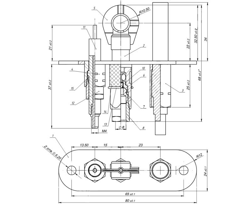
Конструктивная схема горелки
ДОСТАВКА
Вы можете выбрать любой наиболее удобный способ из перечисленных ниже:
Доставка до терминала ТК «Деловые линии» осуществляется нами бесплатно.
ОПЛАТА
Мы принимаем оплату:
Цены на поставляемые нами товар всегда ниже, чем у наших конкурентов.
Условия гарантийного обслуживания
Гарантия не распространяется на ущерб, причиненный другому оборудованию, работающему вместе с данным изделием.
Центр измерительной техники «Эталонприбор» располагает своим собственным ремонтным сервисом, где Вы можете получить услуги по: ремонту, наладке, калибровке, гарантийному и послегарантийному обслуживанию измерительного оборудования, как приобретенного у нас, так и у других поставщиков. Сервис работает на основе лицензии, выданной Ростехрегулированием РФ.
