Твердомер для сырых форм 04412А предназначен для измерения поверхностной твердости формовочных материалов и смесей в экспресс-лабораториях и цеховых лабораториях, а также в исследовательских лабораториях предприятий и организаций.
В стандартный набор поставки твердомера 04412А входит:
| Диапазон показаний, ед. твердости | 0-100 |
| Диапазон измерения, ед. твердости | 10-100 |
| Цена 1 деления шкалы, ед. твердости | 1,0 |
| Индентор | форма сферическая диаметр сферы, мм: 10±0 1 максимальный ход, мм: 5±0,1 |
| Начальное усилие пружины, воздействующей на индентор, Н (кгс) | 1,96 (0,2) |
| Усилие пружины при максимальном ходе индентора, Н (кгс) | 9,81 (1,0) |
| Приведенная погрешность измерения в диапазоне 10-100 ед. твердости | по усилию воздействия на индентор ±5 % по перемещении индентора ±3 % |
| Срок службы твердомера, лет | 6 |
| Габаритные размеры, мм | 45х28х102 |
| Масса, кг | 0,2 |
Наименование сплава | Вес отливки, кг | Поверхностная твёрдость в условных единицах |
Сталь | До 50 | 40-50 |
50-200 | 50-60 | |
Свыше 200 | 60-80 | |
Чугун | До 50 | 30-45 |
50-200 | 45-60 | |
Свыше 200 | 60-70 |
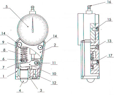
В корпусе 1 установлены все узлы и детали твердомера. Корпус спереди закрыт крышкой 2. Втулка 3 является опорной поверхностью твердомера и предназначена для ориентации перемещения индектор 4, который внедряется в исследуемую поверхность и предназначен для прередачи глубины его внедрения на отсчетное устройство - индикатор 5. Индикатор предназначен для отбора, фиксации и сбора показаний.
На индикаторе установлены гайка 6, предназначенная для регулировки натяжения пружины 8, и контргайка 7. Пружина 8, предназначенная для создания усилия внедрения индикатора, опирается нижним торцом на гайку 6 и вверху центрируется опорой 9.
Рычаг 10 предназначен для передачи перемещения индектора на шток индикатора 5, в заданном соотношении (1:5). Рычаг насажен на ось-эксцентрик 11, которая позволяет регулировать соотношение плеч рычага.
Втулка 3 закреплена в корпусе с помощью винта 12. Крышка 2 крепится к корпусу винтами 13 и гайками 14. Индикатор 5 закреплен винтами 15. Ось-эксцентрик закреплена винтом 17.
В индикаторе имеется кнопка сброса показаний 16, образованная верхним концом штока индикатора.

Рис.1. Схема твердомера мод.04412А
Твердомер мод.04412А приводят в соприкосновение индентором, а затем опорной поверхностью втулки с исследуемой поверхностью формы, стержня или образца формовочной смеси. При этом индентор перемещается относительно корпуса на величину, определяемую твердостью исследуемой поверхности. Перемещение индентора рычагом передается штоку индикатора, что вызывает поворот стрелки. Отношение плеч рычага обеспечивает поворот стрелки на 360° при перемещении индентора на 5 мм.
После снятия твердомера с исследуемой поверхности индентор пружиной возвращается в исходное положение, а пружина в индикаторе (на рис. не показана) удерживает шток и стрелку в прежнем положении — твердомер зафиксировал измеренное значение твердости. Для сброса показаний достаточно нажать на кнопку сброса показаний, образованную верхним концом штока индикатора.
При необходимости совмещения стрелки с нулевой отметкой шкалы перед началом измерения необходимо повернуть верхнее кольцо индикатора, связанного со шкалой.
ДОСТАВКА
Вы можете выбрать любой наиболее удобный способ из перечисленных ниже:
Доставка до терминала ТК «Деловые линии» осуществляется нами бесплатно.
ОПЛАТА
Мы принимаем оплату:
Цены на поставляемые нами товар всегда ниже, чем у наших конкурентов.
Условия гарантийного обслуживания
Гарантия не распространяется на ущерб, причиненный другому оборудованию, работающему вместе с данным изделием.
Центр измерительной техники «Эталонприбор» располагает своим собственным ремонтным сервисом, где Вы можете получить услуги по: ремонту, наладке, калибровке, гарантийному и послегарантийному обслуживанию измерительного оборудования, как приобретенного у нас, так и у других поставщиков. Сервис работает на основе лицензии, выданной Ростехрегулированием РФ.
