Гидроклапан обратный стыковой 1МКО-М-32/32 предназначен для свободного пропускания потока рабочей жидкости в одном направлении и для перекрытия потока в обратном направлении.
Структура условного обозначения гидроклапана - 1МКО-М-32/32:
Диапазон давления на входе, МПа | 1-35 |
Диапазон регулирования давления, МПа | 0,05 |
Диапазон расхода рабочей жидкости, дм3/с | 0-10 |
Внутренняя герметичность (максимальные внутренние утечки), см3/мин | 500 |
Время нарастания давления после прекращения разгрузки, не более | 0,2 |
Масса, кг | 6,4 |

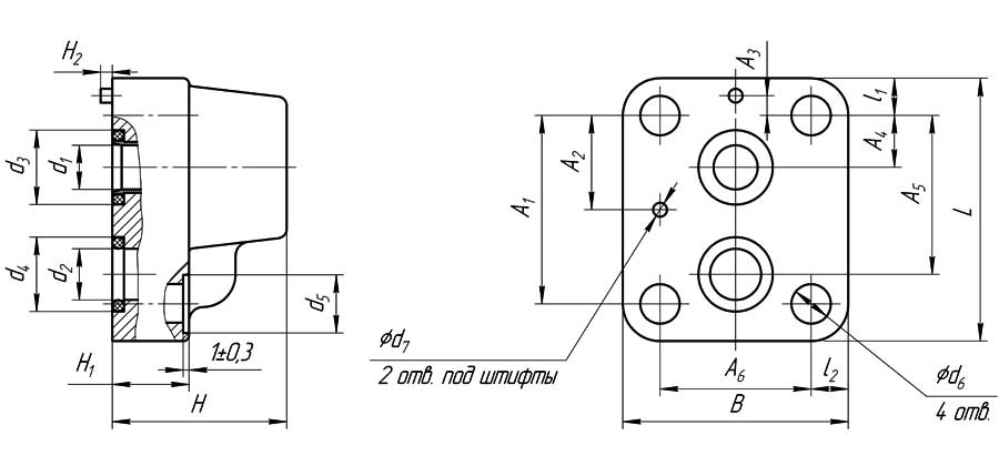
Конструктивная схема гидроклапана
Условный проход, мм | 32 |
L, мм | 127 |
B, мм | 127 |
H, мм | 102 |
H1, мм | 44 |
H2, мм | 5 |
A1, мм | 92 |
A2, мм | 46 |
A3, мм | 9,5 |
A4, мм | 20,7 |
A5, мм | 71,5 |
A6, мм | 92 |
l1, мм | 17,5 |
l2, мм | 17,5 |
d1, мм | 26 |
d2, мм | 30 |
d3, мм | 40 |
d4, мм | 40 |
d5, мм | 32 |
d6, мм | 21 |
d7, мм | 6 |
ДОСТАВКА
Вы можете выбрать любой наиболее удобный способ из перечисленных ниже:
Доставка до терминала ТК «Деловые линии» осуществляется нами бесплатно.
ОПЛАТА
Мы принимаем оплату:
Цены на поставляемые нами товар всегда ниже, чем у наших конкурентов.
Условия гарантийного обслуживания
Гарантия не распространяется на ущерб, причиненный другому оборудованию, работающему вместе с данным изделием.
Центр измерительной техники «Эталонприбор» располагает своим собственным ремонтным сервисом, где Вы можете получить услуги по: ремонту, наладке, калибровке, гарантийному и послегарантийному обслуживанию измерительного оборудования, как приобретенного у нас, так и у других поставщиков. Сервис работает на основе лицензии, выданной Ростехрегулированием РФ.
