Гидроклапан предохранительный МКПВ-20/3С4 предназначен для поддержания установленного давления, предохранения от превышения и разгрузки гидросистемы от давления.
Структура условного обозначения гидроклапана - МКПВ-20/3С4 X1:
Условный проход, мм | 20 | |||
Давление на входе, МПа | 6,3 | 10 | 20 | 32 |
Расход рабочей жидкости, л/мин | 160 | |||
Диапазон регулирования давления, МПа | 0,4-7,0 | 0,5-12,5 | 2-25 | 5-35 |
Внутренняя герметичность (максимальные внутренние утечки), см3/мин | 100 | 150 | 300 | 500 |
Изменение давления настройки при изменении расхода от номинального до максимального, не более, МПа | 2,5 | |||
Время нарастания давления после прекращения разгрузки, не более, сек | 0,2 | |||
Масса (без рабочей жидкости) | 5,3 (исполнение В) | 5,45 (исполнение Р) | 5,45 (исполнение П) | 5,55 (исполнение К) |

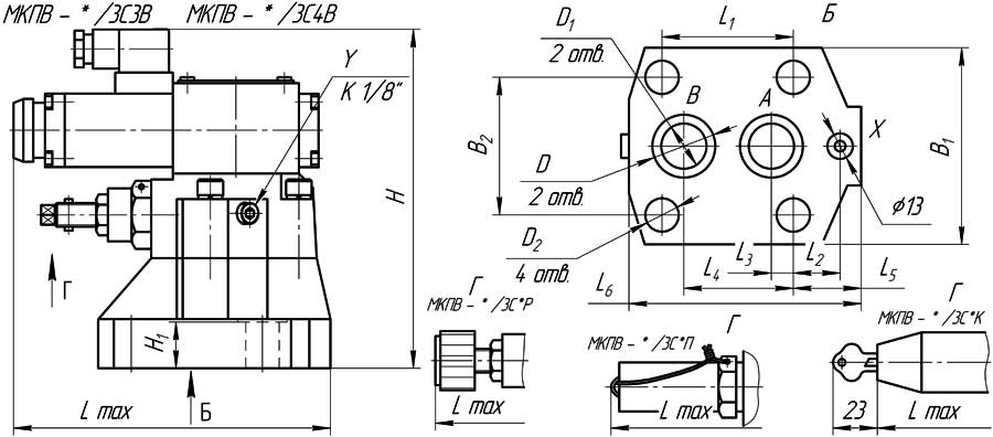
Конструктивная схема гидроклапана
Модель гидроклапана | МКПВ-20/3С4В | МКПВ-20/3С4Р | МКПВ-20/3С4П | МКПВ-20/3С4К |
H, мм | 174 | |||
H1, мм | 25 | |||
B1 h 14, мм | 100 | |||
B2, мм | 70 | |||
Lmax, мм | 165,5 | 165,5 | 165,5 | 184 |
L1, мм | 66,7 | |||
L2, мм | 23,8 | |||
L3, мм | 11,1 | |||
L4 | 55,6 | |||
L5, мм | 34,5 | |||
L6 h1 14, мм | 116 | |||
D H14, мм | 32 | |||
D1 H14, мм | 23 | |||
D2 H14, мм | 17 | |||
ДОСТАВКА
Вы можете выбрать любой наиболее удобный способ из перечисленных ниже:
Доставка до терминала ТК «Деловые линии» осуществляется нами бесплатно.
ОПЛАТА
Мы принимаем оплату:
Цены на поставляемые нами товар всегда ниже, чем у наших конкурентов.
Условия гарантийного обслуживания
Гарантия не распространяется на ущерб, причиненный другому оборудованию, работающему вместе с данным изделием.
Центр измерительной техники «Эталонприбор» располагает своим собственным ремонтным сервисом, где Вы можете получить услуги по: ремонту, наладке, калибровке, гарантийному и послегарантийному обслуживанию измерительного оборудования, как приобретенного у нас, так и у других поставщиков. Сервис работает на основе лицензии, выданной Ростехрегулированием РФ.
