Модули предназначены для измерения сигналов мостовых тензометрических датчиков, преобразования данных измерений в значение физической величины и передачи результатов измерения в сеть RS-485.
Коммуникационные возможности | |
Интерфейс | RS-485 |
Поддерживаемые протоколы | Modbus RTU Modbus ASCII ОВЕН DCON |
Скорость обмена по RS-485 | 2400…115200 бит/с |
Конфигурирование модулей Мx110 осуществляется на ПК через адаптер интерфейса RS-485/RS-232 или RS-485/USB (например, ОВЕН АСЗ-М или ОВЕН АС4, соответственно) с помощью программы «Конфигуратор М110», входящей в комплект поставки.
Модификация | МВ110-224.1ТД | МВ110-224.4ТД | |
| ![]() | ![]() | |
Входы | |||
Количество входов | 1 AI | 4 AI | |
Типы поддерживаемых сигналов | тензометрический датчик мостового типа | ||
Характеристики аналоговых входов (AI) | |||
Предел основной приведенной погрешности | ±0,05 % | ||
Разрядность АЦП | 24 бита | ||
Схема подключения мостового тензодатчика | четырех- или шестипроводная | ||
Сопротивление тензодатчика | 87…1000 Ом | ||
Максимальная нагрузка (нескольких параллельно подключенных тензодатчиков) на один канал | не менее 87 Ом (4 датчика сопротивлением 350 Ом) | ||
Номинальное напряжение питания (возбуждения) тензодатчика от встроенного источника постоянного тока | 2,5 В ±5 % | ||
Время обновления данных измерений в канале | |||
в режиме с возбуждением датчика постоянным напряжением | включен 1 измерительный канал | от 2,1 мс | от 90 мс |
включены 2 измерительных канала | – | от 55 мс | |
включены 3 измерительных канала | – | от 80 мс | |
включены 4 измерительных канала | – | от 110 мс | |
в режиме с возбуждением датчика знакопеременным напряжением | включен 1 измерительный канал | от 110 мс | от 330 мс |
включены 2 измерительных канала | – | от 152 мс | |
включены 3 измерительных канала | – | от 230 мс | |
включены 4 измерительных канала | – | от 310 мс | |
Время установления рабочего режима (предварительный прогрев) | не более 20 мин | ||
Питание | |||
Тип питания | универсальное ~230 В/=24 В | ||
Напряжение питания | переменное: ~90…264 В (номинальное ~230 В) частотой 47…63 Гц или постоянное: =18…30 В (номинальное =24 В) | ||
Потребляемая мощность | не более 5 ВА | ||
Конструктивное исполнение | |||
Габаритные размеры | (63×110×75) ±1 мм | (140×114×75) ±1 мм | |
Степень защиты | IP20 | ||
Монтаж | на DIN-рейку / на стену | ||
Условия эксплуатации | |||
Температура окружающего воздуха | -10…+55 °С | ||
Относительная влажность воздуха (при +25 °С и ниже без конденсации влаги) | не более 80 % | ||
Комплектность | |||
Модуль | 1 шт. | ||
Паспорт / Гарантийный талон | 1 экз. | ||
Руководство по эксплуатации | 1 экз. | ||
Компакт-диск с программным обеспечением | 1 шт. | ||
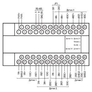
МВ110-224.1ТД | МВ110-224.4ТД |
Общий чертеж | |
![]() | ![]() |
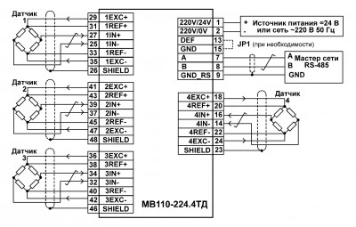
Схема подключения к прибору внешних устройств с применением четырехпроводной схемы подключения к датчику и использованием заземления | |
![]() | |
Схема подключения к прибору внешних устройств с применением шестипроводной схемы подключения к датчику и без использования заземления | |
![]() | |
ДОСТАВКА
Вы можете выбрать любой наиболее удобный способ из перечисленных ниже:
Доставка до терминала ТК «Деловые линии» осуществляется нами бесплатно.
ОПЛАТА
Мы принимаем оплату:
Цены на поставляемые нами товар всегда ниже, чем у наших конкурентов.
Условия гарантийного обслуживания
Гарантия не распространяется на ущерб, причиненный другому оборудованию, работающему вместе с данным изделием.
Центр измерительной техники «Эталонприбор» располагает своим собственным ремонтным сервисом, где Вы можете получить услуги по: ремонту, наладке, калибровке, гарантийному и послегарантийному обслуживанию измерительного оборудования, как приобретенного у нас, так и у других поставщиков. Сервис работает на основе лицензии, выданной Ростехрегулированием РФ.
