ОВЕН ПЛК100 – моноблочный контроллер с дискретными входами/выходами на борту для автоматизации малых систем
Программирование контроллеров ОВЕН ПЛК100 осуществляется профессиональной системой программирования CODESYS v.2.
Система программирования CODESYS для покупателей контроллеров ОВЕН предоставляется бесплатно.
Получить более подробную информацию по системе программирования CODESYS и скачать её можно с нашего сайта или с сайта производителя www.3s-software.ru.
Программа обновления прошивки (внутреннее ПО) контроллера ОВЕН ПЛК100 и таргет-файлы можно скачать в разделе "Сервисное ПО контроллеров ОВЕН ПЛК100".
Для удобства пользователей специалистами компании ОВЕН созданы дополнительные утилиты:
Подробнее узнать про утилиты и скачать их можно на странице Утилиты EasyWorkPLC и PLC_IO.
Ознакомиться с сертификатами можно скачать на странице сертификатов к приборам.

Конструктивное исполнение | Унифицированный корпус для крепления на DIN-рейку (ширина 35 мм), длина 105 мм (6U), шаг клемм 7,5 мм |
Степень защиты корпуса | IР20 |
| Напряжение питания: | |
ПЛК100-24 | 18... 29 В постоянного тока (номинальное напряжение 24 В) |
| ПЛК100-220 | 90... 264 В переменного тока (номинальное напряжение 220 В) частотой 47... 63 Гц |
| Потребляемая мощность, не более | |
ПЛК100-24 | 6 Вт* |
| ПЛК100-220 | 10 Вт |
Индикация передней панели |
|
Центральный процессор | 32-разрядный RISC-процессор 200 МГц на базе ядра АRМ9 |
Объем оперативной памяти | 8 Мбайт |
Объем энергонезависимой памяти хранения ядра СоDеSуs, программ и архивов | 4 Мбайт** |
Размер Retain-памяти | 4 кбайт*** |
Время выполнения цикла ПЛК | Минимальное 250 мкс (нефиксированное), типовое от 1 мс |
Количество дискретных входов | 8 |
Гальваническая развязка дискретных входов | есть, групповая |
Электрическая прочность изоляции дискретных входов | 1,5 кВ |
| Максимальная частота сигнала, подаваемого на дискретный вход: | |
| - при программной обработке | 1 кГц |
| - при применении аппаратного счетчика | 10 кГц |
| - при применении обработчика энкодера | 1 кГц |
| Количество дискретных выходов в: | |
ПЛК100-24.Р и ПЛК100-220.Р | 6 э/м реле |
| ПЛК100-24.К | 6 сдвоенных транзисторных ключей (всего 12 выходных сигналов) |
Гальваническая развязка дискретных выходов | есть, индивидуальная |
Электрическая прочность изоляции дискретных выходов | 1,5 кВ |
Интерфейсы | Ethernet 100 Ваsе-Т RS-232 - 2 канала RS-485 USB 2.0-Device |
Скорость обмена по интерфейсам RS | от 4800 до 115200 bps |
Протоколы | ОВЕН Modbus-RTU, Modbus-АSCII DСОN Моdbus-ТСР GateWay (протокол СODESYS) |
Среда программирования | СODESYS 2.3.8.1 (и старше) |
Интерфейс для программирования и отладки | RS-232 USB-Device Ethernet |
Протокол | Интерфейс | Применение |
ОВЕН | RS-232 | Поддержка модулей ввода/вывода линейки ОВЕН Мх110 |
Modbus RTU | RS-232 | Поддержка модулей ввода/вывода ОВЕН Мх110 и операторских панелей (ОВЕН СП307/СП310), связь со SCADA-системами. |
Modbus TCP | Ethernet 10/100 Mbps | Передача данных на верхний уровень (в SCADA-системы). |
DCON | RS-232 | Поддержка модулей ввода/вывода ICP DAS I-7ххх, АDAM-4хххх |
GateWay | RS-232 | Программирование контроллера, отладка пользовательской программы. Связь с контроллерами других производителей на базе СODESYS. |
Контроллеры ОВЕН ПЛК позволяют организовать шлюз между приборами с протоколом ОВЕН (RS-485) и промышленными сетями с протоколами Modbus, Modbus TCP, DCON.
Пользователь имеет возможность реализовать в среде программирования СODESYS собственный протокол, не поддерживаемый ОВЕН ПЛК. В этом случае он может воспользоваться специальной библиотекой, которая открывает низкоуровневый доступ к последовательным портам ОВЕН ПЛК (библиотека входит в комплект поставки контроллера).
* Для ПЛК100-24 без учета мощности, потребляемой нагрузкой, подключенной к выходным элементам типа К.
** Для хранения файлов и архивов используется Flash-память, специализированная файловая система. Доступный для пользователя объем З Мбайта.
*** Настраивается пользователем, максимальный объем 16 Кбайт.

![]() | Светодиодная индикация:
|
![]() | Кнопка «Старт/Стоп» предназначена для запуска и остановки программы в контроллере. |
![]() | Скрытая кнопка «Сброс» предназначена для перезагрузки контроллера (нажимается тонким заостренным предметом). |







Примечание.
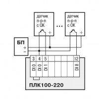
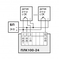
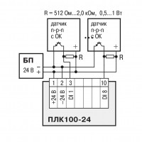
Для подключения к ПЛК100-24 датчиков n-p-n по схеме «с общим минусом» рекомендуется использовать дополнительно устройство ОВЕН ПДИМ-8
Наименование | Изображение | Комментарии | Длина, м |
| КС1 | ![]() | Применяется для прошивки и программирования контроллеров: - ПЛК100 (порт RS-232 DEBUG) | 1,5 2,7 |
КС2 |
| Применяется для соединения контроллеров ПЛК100 (порт RS-232 DEBUG) с панелями оператора ИП320 (порт RS-232), СП270, СП307, СП310 (порт PLC, RS-232) | 1,5 2,7 |
КС3 |
| Применяется для соединения контроллеров ПЛК100 (порт RS-232 DEBUG) с модемом ПМ01[M02] (порт RS-232, соединитель Х2) | 1,5 |
ДОСТАВКА
Вы можете выбрать любой наиболее удобный способ из перечисленных ниже:
Доставка до терминала ТК «Деловые линии» осуществляется нами бесплатно.
ОПЛАТА
Мы принимаем оплату:
Цены на поставляемые нами товар всегда ниже, чем у наших конкурентов.
Условия гарантийного обслуживания
Гарантия не распространяется на ущерб, причиненный другому оборудованию, работающему вместе с данным изделием.
Центр измерительной техники «Эталонприбор» располагает своим собственным ремонтным сервисом, где Вы можете получить услуги по: ремонту, наладке, калибровке, гарантийному и послегарантийному обслуживанию измерительного оборудования, как приобретенного у нас, так и у других поставщиков. Сервис работает на основе лицензии, выданной Ростехрегулированием РФ.
