по РФ бесплатно
пн-пт 9:00-18:00
пн-пт 9:00-18:00
по РФ бесплатно
Ваш город
Нет
Да
КОНТАКТНАЯ ИНФОРМАЦИЯ
Телефоны:8 (800) 777-30-09 (по РФ бесплатно), 8 (495) 748-30-09, 748-30-60, 664-28-44.
Адрес:141006, Московская обл., г. Мытищи, Олимпийский пр-т, д. 29, стр. 2, офис 43/1.
УВАЖАЕМЫЕ КЛИЕНТЫ!
Цены на сайте могут отличаться, просьба уточнять конечную стоимость у наших менеджеров!
TMM-540


Преобразователь уровня буйковый УБ-ЭМ1 (УБ-ЭМ1 А)

Производство остановлено, подберите аналоги в нашем каталоге или воспользуйтесь помощью менеджера
Цена:
по запросу
Общая стоимость 0 руб.
В корзину
Купить в 1 клик
Нашли дешевле?
Снизим цену!
В избранное
Стоимость доставки от 800 ₽ (уточнять у менеджера)
Срок доставки: 2 - 10 дней при наличии товара на складе
Бесплатная доставка от 50000₽
Безналичный расчет для юридических лиц
Самовывоз со склада компании ЭТАЛОНПРИБОР
Более 350 брендов
Самые лучшие
цены
Техническая
документация
Быстрая доставка
по России
Сервисный
центр
  • Описание
  • Доставка и оплата
  • Гарантия и возврат
  • Отзывы
  • Сервис
Описание

Преобразователь уровня буйковый УБ-ЭМ1 (УБ-ЭМ1 А) предназначен для непрерывного преобразование значения уровня жидкости или границы раздела двух несмешивающихся жидкостей как нейтральных, так и агрессивных в стандартный токовый и/или цифровой на базе НАRТ-протокола выходной сигнал дистанционной передачи.

Комплект поставки

Наименование

Кол-во

Примечание

Преобразователь

1 шт.

В зависимости от заказа

Руководство по эксплуатации

1 экз.

Допускается прилагать по 1 экз. на каждые 10 преобразователей, поставляемых в один адрес

Методика поверки МИ 1233-86

1 экз.

Паспорт

1 экз.

-

Флакон с демпферной жидкостью

1 шт.

Поставляется по требованию заказчика

Радиатор

1 шт.

Блок питания

1 шт.

Ответный фланец

1 шт.

Технические характеристики
Верхний предел измерения уровня, м: 
- 2620, 2622, 2630, 26400,25; 0,4; 0,6; 0,8; 1; 1,6; 2; 2,5; 3; 4; 6; 10
- 26501; 1,6; 2; 2,5;
- 26150,6; 1; 1,6;
Допустимая основная приведенная погрешность, %± 0,25; ± 0,5; ± 1
Параметры контролируемой среды: 
- плотность, кг/м3от 400 до 2000
- разность плотностей (при плотности нижней фазы от 910 до 1000 кг/м3), кг/м3от 50 до 400
- температура, °Сот -50 до +120
- температура при использовании теплоотводящего патрубка (радиатора), °Сот -200 до -50
от +120 до +400
Выходной сигнал: 
- стандартный токовый, мА0 - 5; 0 - 20;4 - 20
- цифровой на базе HART протоколаесть
Напряжение питания: 
- для общепромышленного и взрывозащищенного исполнений36 ± 0,72
- для искробезопасного исполненияот искробезопасного блока питания
Потребляемая мощность, ВА, не более1,2
Масса преобразователей в зависимости от модели, кгот 10,5 до 21,5
Расстояние между источником питания и преобразователем, м, не более600
Предельно допустимое давление

Модель

Предельно допускаемое избыточное давление,
МПа (кгс/см 2 )

2620, 2622

4,0 (40)

2630

6,3 (63)

2640

16 (160)

2615

2,5 (25); 4,0 (40)

2650

20 (200)

Исполнение преобразователей по материалам

Обозначение исполнения преобразователя по материалам

Материалы

Буек

Корпус

Мембрана вывода

02

12Х18Н10Т

12Х18Н10Т

36НХТЮ

01

сталь 20

09

титановый сплав ВТ-1

12Х18Н10Т

Стандартные размеры буйков и количество секций

Модель

Н, мм

d, мм

Число секций

2620 2622 2630 2640

250

60

1

400

600

50

800

40

1000

1600

30

2000

25

2500

3000

20

2

4000

6000

16

3

8000

11

4

10000

5

2650

1000

40

1

1600

30

2000

25

2500

2615

600

140

1

1000

108

1600

83

600

108

1000

83

1600

60

Габаритные и установочные размеры преобразователей

Модель

Р, МПа

Ду, мм

Размеры, мм

D

D 1

D 2

d 1

Б

2620

4,0

65

Ø180

Ø145

Ø109

Ø18

240

2622

4,0

80

Ø195

Ø160

Ø120

2630

6,3

65

Ø200

Ø160

Ø109

Ø22

2640

16,0

65

Ø220

Ø170

Ø26

2650

20,0

50

Ø210

Ø180

Ø87

300

2615

2,5

150

Ø300

Ø250

Ø203

Область применения УБ-ЭМ1, УБ-ЭМ1 А

Преобразователи уровня используются в системах автоматического контроля, регулирования и управления технологическими процессами в нефтеперерабатывающей, газовой, химической и других отраслях промышленности, в том числе со взрывоопасными условиями производства.

Преобразователи УБ-ЭМ1 А предназначены для эксплуатации на объектах атомной энергетики и относятся к элементам нормальной эксплуатации и элементам управляющих систем безопасно-сти, класса 3Н, 3НУ, 4Н по ПНАЭ Г-01-011-97, критерий качества функционирования В по ГОСТ Р50746-2000.

Условия эксплуатации

По устойчивости к климатическим воздействиям преобразователи в зависимости от исполнения соответствуют:

  • климатическому исполнению УХЛ категории размещения 3.1, но для работы при температуре от 1 до 50 °С (основной вариант исполнения) или, по требованию заказчика, от 1 до 80 °С
  • климатическому исполнению У категории размещения 2, но для работы при температуре от -30 до 50 °С (основной вариант исполнения), или, по согласованию с изготовителем, от -40 до 80°С
  • климатическому исполнению ТМ категории размещения 4, но для работы при температуре от 5 ДО 50 °С

Степень защиты преобразователей от воздействия пыли и воды IP54 по ГОСТ 14254;

Преобразователи устойчивы к воздействию относительной влажности окружающего воздуха 95±3% при 35 °С и более низких температурах без конденсации влаги;

Преобразователи предназначены для работы при барометрическом давлении от 84 до 106,7 кПа (от 630 до800 мм рт. ст.) и соответствуют группе исполнения Р1 по ГОСТ 12997;

По устойчивости к механическим воздействиям преобразователи соответствуют виброустойчивому исполнению NX по ГОСТ 12997 с параметрами вибрации: частота 16-55 Гц, амплитуда вибросмещения 0,035 мм. Резонансные частоты не более 16 Гц.

Особенности и принцип работы

В качестве обогревательного элемента используется ОУр-1М.

Преобразователи состоят из измерительного блока и электронного преобразователя. При изменении измеряемого уровня происходит изменение гидростатической выталкивающей си-лы, воздействующей на чувствительный элемент - буек. Это изменение через рычаг передается передается на магнитную систему, которая перемещается относительно неподвижно закреплен-ного датчика Холла, при этом напряжение с датчика Холла изменяется пропорционально вытал-кивающей силе. Напряжение с датчика обрабатывается микропроцессорным электронным блоком и преобразуется в выходной сигнал и цифровое значение на индикаторе пропорциональные измеряемому па-раметру (уровню среды).

Использование датчика Холла позволило исключить прямой контакт датчика с подвижной систе-мой узла ввода, т.е. исключить разрушение датчика при неаккуратном монтаже или резком сбросе контролируемой жидкости из емкости.

Преобразователи имеют повышенную электромагнитную совместимость, что обеспечивают их стабильную работу вблизи мощных источников электромагнитных излучений.

УБ-ЭМ1 и УБ-ЭМ1 А  предназначены для контроля уровня сред, не содержащих компонентов, кон-денсат паров которых замерзает при отрицательных температурах окружающего воздуха, воз-можных в процессе эксплуатации. При наличии таких компонентов преобразователи должны размещаться в обогреваемых шкафах или необходимо использовать обогреватель уровнемеров ОУр.

Внешний вид платы электронного преобразователя

Внешний вид платы электронного преобразователя

Габаритные, установочные и присоединительные размеры преобразователей УБ-ЭМ1

Габаритные, установочные и присоединительные размеры преобразователей УБ-ЭМ1

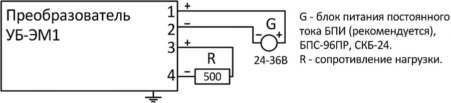
Схема включения для преобразователей УБ-ЭМ1 с выходным сигналом 4-20 мА при двухпроводной линии связи

Схема включения для преобразователей УБ-ЭМ1 с выходным сигналом 4-20 мА при двухпроводной линии связи

Схема включения для преобразователей УБ-ЭМ1-Ех с выходным сигналом 4-20 мА при двухпроводной линии связи

Схема включения для преобразователей УБ-ЭМ1-Ех с выходным сигналом 4-20 мА при двухпроводной линии связи

Схема включения для преобразователей с выходным сигналом 0-5 мА или 0-20 мА или 4-20 мА при четырехпроводной линии связи

Схема включения для преобразователей с выходным сигналом 0-5 мА или 0-20 мА или 4-20 мА при четырехпроводной линии связи

  • G - источник постоянного тока
  • G1 - барьер искрозащиты или искробезопасный блок питания с маркировкой взрывозащиты не ниже ExiallC;
  • R - сопротивление нагрузки
  • Параметры линия связи: R < 20 Ом, L < 1 мГн, С < 0,06 мкФ

Примеры установки преобразователей на объекте

Примеры установки преобразователей на объекте

  • 1.установка преобразователя непосредственно на емкости без теплоотводящего патрубка (при температурах контролируемой среды от -50 до +120 °С);
  • 2.установка преобразователя непосредственно на емкости через теплоотводящий патрубок (при температурах контролируемой среды от -200 до -50 °С и от +100 до +450 °С);
  • 3.установка преобразователя на выносной камере;
  • 4.установка преобразователя на выносной камере через теплоотводящий патрубок.
Развернуть полное описание
Доставка и оплата

ДОСТАВКА

Вы можете выбрать любой наиболее удобный способ из перечисленных ниже:

  • Самовывоз со склада компании ЭТАЛОНПРИБОР
  • Доставка через транспортную компанию "Деловые линии"
  • Доставка экспресс - почтой "ПОНИ-ЭКСПРЕСС" до двери
  • Доставка по Москве и области нашими экспедиторами и курьерами
  • Доставка через транспортную компанию "ПЭК"
  • Отправка посылкой с помощью Почты России
  • Доставка через транспортную компанию покупателя

Доставка до терминала ТК «Деловые линии» осуществляется нами бесплатно.

ОПЛАТА

Мы принимаем оплату:

  • по безналичному расчету
  • перечислением денежных средств на расчетный счет для юридических лиц
  • банковским переводом для физических.

Цены на поставляемые нами товар всегда ниже, чем у наших конкурентов.

Гарантия и возврат

Условия гарантийного обслуживания

  1. Гарантия действительна только при наличии гарантийного талона с указанием заводского номера изделия, гарантийного срока и печати поставщика.
  2. Гарантия предусматривает бесплатный ремонт изделия или замену запасных частей, комплектующих в течении гарантийного срока, указанного в гарантийном талоне.
  3. Заводской номер и наименование изделия должны соответствовать указанным в гарантийном талоне.
  4. Изделие снимается с гарантийного обслуживания в следующих случаях:
    1. Нарушения условий эксплуатации, изложенных в технической документации изделия, которые привели к выходу изделия из строя, включая неисправности, вызванные использованием нештатных аксессуаров;
    2. Нарушения гарантийных пломб, в случае наличия следов вскрытия или взлома корпуса изделия;
    3. Ремонта в неуполномоченном сервисном центре или самостоятельно (кроме элементов и источников питания, замена которых предусмотрена производителем);
    4. Использования изделия не по назначению;
    5. Нарушения правил хранения и транспортирования;
    6. Наличия внешних механических повреждений, включая повреждения разъёмов и контактов;
    7. Наличия внешних повреждений, вызванных стихией, пожаром, молнией, высоким напряжением;
    8. Попадания внутрь влаги, инородных предметов и т.п.
    9. Неправильном включении в сеть.
  5. Гарантия не распространяется на расходные материалы и прочие детали, имеющие ограниченный срок службы: элементы питания (в т.ч. аккумуляторы), имеющие ограниченную прочность.
  6. Недополученная в связи с появлением неисправности прибыль и другие косвенные расходы не подлежат возмещению.

Гарантия не распространяется на ущерб, причиненный другому оборудованию, работающему вместе с данным изделием.

Отзывы
Отзывы о товаре Преобразователь уровня буйковый УБ-ЭМ1 (УБ-ЭМ1 А)
Сервис

Центр измерительной техники «Эталонприбор» располагает своим собственным ремонтным сервисом, где Вы можете получить услуги по: ремонту, наладке, калибровке, гарантийному и послегарантийному обслуживанию измерительного оборудования, как приобретенного у нас, так и у других поставщиков. Сервис работает на основе лицензии, выданной Ростехрегулированием РФ.

 
Подробнее
 
Сервисное обслуживание
Простой обмен и возврат
Поможем решить любую проблему с товаром
Собственный сервисный центр
Устраним любую неисправность по гарантии. Срок указан без учета логистики
Сервисы по всей России
Обращайтесь за обслуживанием в авторизованные сервисы производителя
Похожие товары
 
Полезные статьи
При выборе манометра необходимо учитывать ряд важных факторов, чтобы прибор подходил для конкретной системы.
Уровень влажности в помещении играет важную роль в формировании оптимальных условий для комфортного пребывания. Для определения этого параметра используются устройства, называемые гигрометрами. В этой статье мы расскажем, как выбрать подходящее оборудование такого типа для различных объектов.
Осциллограф — это прибор для наблюдения, измерения, записи и анализа амплитудных и временных характеристик электрического сигнала. Подаваемый на вход устройства, он отображается либо на экране, либо фиксируется на фотоленте для последующего изучения.
Если вы задумались о приобретении мультиметра, важно заранее ознакомиться с рядом полезных рекомендаций, которые помогут сделать правильный выбор. Мы подготовили небольшую статью, которая, надеемся, окажется полезной.
Цифровой тахометр — это прибор, предназначенный для измерения частоты вращения различных объектов, таких как валы, двигатели и роторы. В отличие от аналоговых моделей, цифровые тахометры обеспечивают высокую точность измерений и удобство использования благодаря современным технологиям и информативному дисплею. Они широко используются в самых разных отраслях: от автомобильного сервиса и промышленности до научных исследований и контроля вентиляционных систем.
Мегаомметр – это специализированный прибор, предназначенный для измерения сопротивления изоляции электрических цепей и оборудования. В условиях современного мира, где электричество играет ключевую роль во всех сферах жизни, обеспечение безопасности и надежности электрических систем становится особенно важным. От качества изоляции проводников и оборудования зависит не только эффективность их работы, но и безопасность людей и объектов, которые они обслуживают.
Измерительные приборы играют ключевую роль в различных отраслях, начиная от промышленности и строительства, заканчивая медициной и научными исследованиями. Правильная эксплуатация и уход за этими приборами являются залогом точных измерений и долговечности оборудования.
Осциллографы играют ключевую роль в современных лабораториях и на производственных предприятиях, являясь незаменимым инструментом для анализа и визуализации электрических сигналов. Независимо от того, являетесь ли вы инженером-электронщиком, студентом технического вуза или энтузиастом электроники, понимание принципов работы осциллографов, их видов и характеристик, а также правил эксплуатации и ухода за ними, имеет первостепенное значение.
Амперметр предназначен для измерения величины тока в электрических цепях, выраженной в амперах. В основе его работы лежит простой принцип: инструмент позволяет наглядно увидеть мощность тока, потребляемого устройствами, подключенными к сети. Обычно амперметр подключают в цепь с нагрузкой, поэтому ток, протекающий через него, идентичен току, проходящему через любой другой элемент цепи, будь то нагреватель, мотор или лампочка.
На этапах возведения, отделки и монтажа различных сооружений большую роль играют точность разметки и идеальное выравнивание. Достижение профессиональных стандартов качества возможно при использовании лазерного нивелира. Для выбора подходящей модели целесообразно ознакомиться с механизмом работы этих устройств.
Новинки