Распределители для двухмагистральных смазочных систем предназначены для изменения направления потока смазочного материала в двухмагистральных смазочных системах.
Распределители устанавливаются на двухмагистральных станциях централизованной смазки петлевого и концевого типов.
В зависимости от конструктивных особенностей распределители выпускаются двух типов:
Наименование параметров | 1 тип | 2 тип |
Номинальный расход смазочного материала, л/мин | 0,63 | 0,63 |
Номинальное давление, МПа | 20 | 20 |
Условный проход, мм | 12 | 10 |
Масса, кг, не более | 14 | 12 |

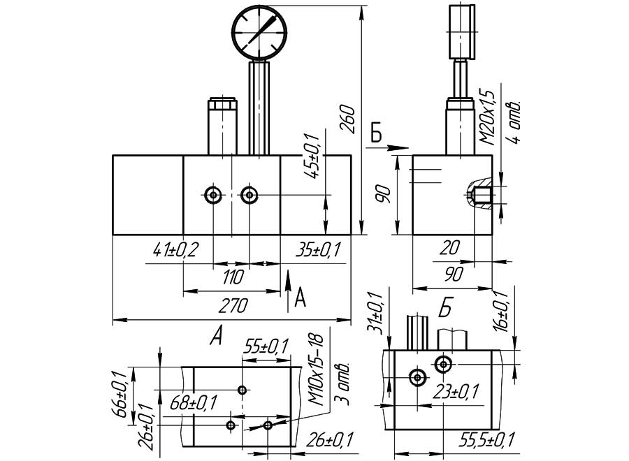
Конструктивная схема гидрораспределителя 1-го типа

Конструктивная схема гидрораспределителя 2-го типа
ДОСТАВКА
Вы можете выбрать любой наиболее удобный способ из перечисленных ниже:
Доставка до терминала ТК «Деловые линии» осуществляется нами бесплатно.
ОПЛАТА
Мы принимаем оплату:
Цены на поставляемые нами товар всегда ниже, чем у наших конкурентов.
Условия гарантийного обслуживания
Гарантия не распространяется на ущерб, причиненный другому оборудованию, работающему вместе с данным изделием.
Центр измерительной техники «Эталонприбор» располагает своим собственным ремонтным сервисом, где Вы можете получить услуги по: ремонту, наладке, калибровке, гарантийному и послегарантийному обслуживанию измерительного оборудования, как приобретенного у нас, так и у других поставщиков. Сервис работает на основе лицензии, выданной Ростехрегулированием РФ.
