Реле времени Timer 816 (цифровое) - это многофункциональные реле с настройкой времени.
Напряжение питания | 24, 110-240 В 50/60 Гц и 24 В DC (до 10% пульсаций) |
Потребляемая мощность | 11 ВА при 230 В AC |
Выход | переключающие реле 8А/250В AC резистивная нагрузка) |
Макс. нагрузка | 2000 ВА / 190 Вт |
Минимальный ток | 100 мА |
Макс. частота коммутации | 600/мин при макс. нагрузке |
Ресурс механический | 50x106 включений |
Ресурс электрический | 100 000 включений с макс. нагрузкой |
Диапазон времени | 0,01сек - 999,9 час в семи диапазонах |
Разброс параметров | ±0,005%, ±20 мс |
Вход упр./сброса | Imp 10 кОм, PNP; 0=0-1 В, 1=4-30 В |
Время имп. сброса | 50 мс |
Память | 10 лет без напряжения |
Индикатор | величины отсчёта: 4 большие цифры, выс. 8 mm. Программов.:4 цифры, выс.6 mm |
Релейный выход | 1 переключ. контакт, макс 5 А AC/ 1 А DC, мин 50 мА, 250 В, 1250 ВА / 30 Вт |
Ресурс реле | Электр.: 105 перекл.при резист нагр. 1250 ВА |
Рабочая температура | от -10 °C до +50 °C (хранения от -25 °C до +70 °C) |
Степень защиты | IP65 |
Масса | 100 г |

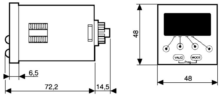
Схема - габаритные размеры реле
ДОСТАВКА
Вы можете выбрать любой наиболее удобный способ из перечисленных ниже:
Доставка до терминала ТК «Деловые линии» осуществляется нами бесплатно.
ОПЛАТА
Мы принимаем оплату:
Цены на поставляемые нами товар всегда ниже, чем у наших конкурентов.
Условия гарантийного обслуживания
Гарантия не распространяется на ущерб, причиненный другому оборудованию, работающему вместе с данным изделием.
Центр измерительной техники «Эталонприбор» располагает своим собственным ремонтным сервисом, где Вы можете получить услуги по: ремонту, наладке, калибровке, гарантийному и послегарантийному обслуживанию измерительного оборудования, как приобретенного у нас, так и у других поставщиков. Сервис работает на основе лицензии, выданной Ростехрегулированием РФ.
