по РФ бесплатно
пн-пт 9:00-18:00
пн-пт 9:00-18:00
по РФ бесплатно
Ваш город
Нет
Да
КОНТАКТНАЯ ИНФОРМАЦИЯ
Телефоны:8 (800) 777-30-09 (по РФ бесплатно), 8 (495) 748-30-09, 748-30-60, 664-28-44.
Адрес:141006, Московская обл., г. Мытищи, Олимпийский пр-т, д. 29, стр. 2, офис 43/1.
УВАЖАЕМЫЕ КЛИЕНТЫ!
Цены на сайте могут отличаться, просьба уточнять конечную стоимость у наших менеджеров!
TMM-540


ТРМ136-ИИИРРР.Щ7

Цена:
22 814
Общая стоимость 0 руб.
В корзину
Купить в 1 клик
Нашли дешевле?
Снизим цену!
В избранное
Стоимость доставки от 800 ₽ (уточнять у менеджера)
Срок доставки: 2 - 10 дней при наличии товара на складе
Бесплатная доставка от 50000₽
Безналичный расчет для юридических лиц
Самовывоз со склада компании ЭТАЛОНПРИБОР
Более 350 брендов
Самые лучшие
цены
Техническая
документация
Быстрая доставка
по России
Сервисный
центр
  • Описание
  • Доставка и оплата
  • Гарантия и возврат
  • Отзывы
  • Сервис
Описание

Измеритель-регулятор универсальный шестиканальный ТРМ136 предназначен для построения автоматических систем контроля и регулирования производственными технологическими процессами в металлообрабатывающей, пищевой, химической, деревообрабатывающей, в производстве строительных материалов и в других областях промышленности.

ТРМ 136 предназначен для измерения и регулирования температуры, давления и других физических величин. Он может управлять до 6 исполнительными механизмами, вести регистрацию измерений на ЭВМ.

ТРМ136 является аналогом прибора ТРМ138.

Функциональные возможности регулятора ТРМ136

  • Шесть универсальных входов для подключения от 1 до 6 датчиков разного типа в любых комбинациях;
  • Вычисление дополнительных величин:
    • средних значений от 2 до 6 измеренных величин
    • разностей измеренных величин
    • скорости изменения измеряемой величины.
  • До шести каналов регулирования или регистрации температуры, давления или других измеренных или вычисленных величин:
    • регулирование по двухпозиционному закону (для каналов с ВУ типа Р,К,С или Т)
    • регистрация на аналоговом выходе (ток 4...20 мА или напряжение 0...10В).
  • От 1 до 6 встроенных выходных устройств различных типов в выбранной пользователем комбинации
  • Режим ручного управления выходными устройствами
  • Конфигурирование функциональной схемы и установка параметров:
    - кнопками на лицевой панели прибора;
  • Четыре варианта стандартных конфигураций схемы прибора
  • Встроенный интерфейс RS-485 (протокол ОВЕН, Modbus ASCII/RTU)
  • Формирование аварийного сигнала при обнаружении неисправности первичных преобразователей с отображением его причины на цифровом индикаторе

Скачать брошюру

Измеритель-регулятор универсальный шестиканальный ТРМ136 (1 Мб)

Основные технические характеристики

Наименование

Значение

Диапазон напряжений питания

от 90 до 264 В переменного (от 47 до 63 Гц) тока

Потребляемая мощность, ВА, не более

18

Количество измерительных входов в приборе

6

Время опроса одного канала, с, не более

0,6

Напряжение встроенного источника питания

(24±3) В постоянного тока (максимум 150 мА)

Интерфейс связи с компьютером

RS-485

Скорость передачи данных по протоколу, кбит/с: ОВЕН, Modbus-RTU, Modbus-ASCII

2,4; 4,8; 9,6; 14,4; 19,2; 28,8; 38,4; 57,6; 115,2

Габаритные размеры корпуса Щ7, мм

144×169×50,5

Масса прибора, кг, не более

1,0

Гарантийный срок обслуживания2 года

Выходные устройства:

Наименование ВУ (обозначение типа)

Технические характеристики

Значение

Реле электромагнитное (Р)

Максимальный ток нагрузки

4 А

Максимальное напряжение нагрузки
переменного тока, не менее

250 В 50 Гц

и cos j >0,4

Максимальное напряжение нагрузки постоянного тока, не менее

30 В

Оптопара транзисторная

n-p-n-типа (К)

Максимальный ток нагрузки, не менее

400 мА

Максимальное напряжение, не менее

60 В

постоянного тока

Оптопара симисторная (С)

В режиме управления внешним симистором:

ток (при длительности импульса не более 2 мс и частоте (50 ±1) Гц), не менее

400 мА

действующее напряжение, не менее

250 В, 50 Гц

В режиме коммутации нагрузки:

ток нагрузки, не менее

40 мА

действующее напряжение, не менее

250 В, 50 Гц

Выход для управления внешним твердотельным реле (Т)

Выходное напряжение холостого хода

(6 ±0,5) В

постоянного тока

Выходное напряжение на нагрузке 250 Ом, не менее

от 3,3 до 4,9 В

постоянного тока

Ток короткого замыкания

от 50 до 72 мА

ЦАП «параметр-ток» (И)

Выходной сигнал постоянного тока

от 4 до 20 мА

Сопротивление нагрузки

от 0 до 1300 Ом

Номинальное сопротивление нагрузки

700 Ом

Напряжение питания ЦАП

от 10 до 36 В

Номинальное напряжение питания ЦАП

(24,0 ±3,0)В

ЦАП «параметр-напряжение» (У)

Выходной сигнал постоянного напряжения

от 0 до 10 В

Сопротивление нагрузки, не менее

5 кОм

Напряжение питания ЦАП

от 15 до 36 В

Номинальное напряжение питания ЦАП

(24,0 ±3,0) В

Входные первичные преобразователи:

Условное обозначение НХС преобразователя
или сигнала

Диапазон
измерений

Значение
единицы младшего разряда*

Пределы
допускаемой основной приведенной погрешности, %

Термометры сопротивления по ГОСТ 6651-2009 или термопреобразователи сопротивления по ГОСТ Р 6651*

Cu 50 (a =0,00426 °С-1)

от –50 до 200 °С

0,1 °С

±0,25

50 М(a =0,00428 °С-1)

от –190 до 200 °С

0,1 °С

Pt 50(a =0,00385 °С-1)

от –200 до 750 °С

0,1 °С

50 П (a =0,00391 °С-1)

от –200 до 750 °С

0,1 °С

Cu 100 (a =0,00426 °С-1)

от –50 до 200 °С

0,1 °С

100 М(a =0,00428 °С-1)

от –190 до 200 °С

0,1 °С

Pt 100 (a =0,00385 °С-1)

от –200 до 750 °С

0,1 °С

100 П (a =0,00391 °С-1)

от –200 до 750 °С

0,1 °С

Термоэлектрические преобразователи по ГОСТ Р 8.585

TХК (L)

от –200 до 800 °С

0,1 °С

±0,5

±0,25**

TЖК (J)

от –200 до 1200 °С

1 °С

TНН (N)

от –200 до 1300 °С

1 °С

TХА (К)

от –200 до 1300 °С

1 °С

TПП (S)

от 0 до 1750 °С

1 °С

TПП (R)

от 0 до 1750 °С

1 °С

TВР (А-1)

от 0 до 2500 °С

1 °С

Унифицированные сигналы постоянного напряжения и тока по ГОСТ 26.011

Ток от 0 до 5 мА

от 0 до 100 %

0,1 %

±0,25

Ток от 0 до 20 мА

от 0 до 100 %

0,1 %

Ток от 4 до 20 мА

от 0 до 100 %

0,1 %

Напряжение от 0 до1 В

от 0 до 100 %

0,1 %

Сигнал постоянного напряжения

от –50,0 до 50 мВ

от 0 до100 %

0,1 %

±0,25

*) Приборы, работающие с термопреобразователями сопротивления с НСХ по ГОСТ 6651, предназначены для поставки на экспорт.
**) с отключенной схемой КХС

Примечание – Допускается применение нестандартизованного медного термометра сопротивления с R0 = 53 Ом (a = 0,00426 °С-1) и диапазоном измерений от минус 50 до плюс 200 °С.

Условия эксплуатации

  • закрытые взрывобезопасные помещения без агрессивных паров и газов;
  • температура окружающего воздуха от +1 до +50 °С;
  • верхний предел относительной влажности воздуха 80 % при +25 °С и более низких температурах без конденсации влаги;
  • атмосферное давление от 86 до 106,7 кПа.

Функциональная схема

Функциональная схема ТРМ136

Схемы подключения

Схема подключения электромагнитных реле прибора ТРМ136-Р
Схема подключения транзисторных оптопар прибора ТРМ136-К
Схема подключения симисторных оптопар прибора ТРМ136-С
Схема подключения ЦАП прибора ТРМ136-И
Схема подключения твердотельных реле прибора ТРМ136-Т
Схема подключения выходных устройств прибора ТРМ136-У
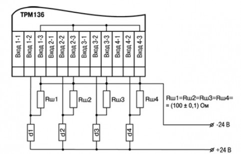
Пример подключения датчиков различного типа
Общая схема подключения измерительных датчиков
Пример схемы подключения активных датчиков d1-d4 с выходным сигналом тока от 4 до 20 мА
Схема установки перемычек на неиспользуемый вход

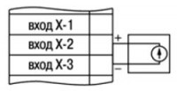
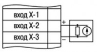
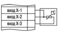
Схемы подключения измерительных датчиков

термометры сопротивления
преобразователь термоэлектрический (термопара)
датчик с выходным сигналом тока от 0 (4) до 20 мА, от 0 до 5 мА
датчик с выходным сигналом напряжения от 0 до 50 мВ, от 0 до 1 В

Комплект поставки

  1. Прибор ТРМ136
  2. Комплект крепежных элементов
  3. Паспорт и гарантийный талон
  4. Руководство по эксплуатации
  5. Методика поверки (по требованию заказчика)

Примечание - Изготовитель оставляет за собой право внесения дополнений в комплектность изделия.

Развернуть полное описание
Доставка и оплата

ДОСТАВКА

Вы можете выбрать любой наиболее удобный способ из перечисленных ниже:

  • Самовывоз со склада компании ЭТАЛОНПРИБОР
  • Доставка через транспортную компанию "Деловые линии"
  • Доставка экспресс - почтой "ПОНИ-ЭКСПРЕСС" до двери
  • Доставка по Москве и области нашими экспедиторами и курьерами
  • Доставка через транспортную компанию "ПЭК"
  • Отправка посылкой с помощью Почты России
  • Доставка через транспортную компанию покупателя

Доставка до терминала ТК «Деловые линии» осуществляется нами бесплатно.

ОПЛАТА

Мы принимаем оплату:

  • по безналичному расчету
  • перечислением денежных средств на расчетный счет для юридических лиц
  • банковским переводом для физических.

Цены на поставляемые нами товар всегда ниже, чем у наших конкурентов.

Гарантия и возврат

Условия гарантийного обслуживания

  1. Гарантия действительна только при наличии гарантийного талона с указанием заводского номера изделия, гарантийного срока и печати поставщика.
  2. Гарантия предусматривает бесплатный ремонт изделия или замену запасных частей, комплектующих в течении гарантийного срока, указанного в гарантийном талоне.
  3. Заводской номер и наименование изделия должны соответствовать указанным в гарантийном талоне.
  4. Изделие снимается с гарантийного обслуживания в следующих случаях:
    1. Нарушения условий эксплуатации, изложенных в технической документации изделия, которые привели к выходу изделия из строя, включая неисправности, вызванные использованием нештатных аксессуаров;
    2. Нарушения гарантийных пломб, в случае наличия следов вскрытия или взлома корпуса изделия;
    3. Ремонта в неуполномоченном сервисном центре или самостоятельно (кроме элементов и источников питания, замена которых предусмотрена производителем);
    4. Использования изделия не по назначению;
    5. Нарушения правил хранения и транспортирования;
    6. Наличия внешних механических повреждений, включая повреждения разъёмов и контактов;
    7. Наличия внешних повреждений, вызванных стихией, пожаром, молнией, высоким напряжением;
    8. Попадания внутрь влаги, инородных предметов и т.п.
    9. Неправильном включении в сеть.
  5. Гарантия не распространяется на расходные материалы и прочие детали, имеющие ограниченный срок службы: элементы питания (в т.ч. аккумуляторы), имеющие ограниченную прочность.
  6. Недополученная в связи с появлением неисправности прибыль и другие косвенные расходы не подлежат возмещению.

Гарантия не распространяется на ущерб, причиненный другому оборудованию, работающему вместе с данным изделием.

Отзывы
Отзывы о товаре ТРМ136-ИИИРРР.Щ7
Сервис

Центр измерительной техники «Эталонприбор» располагает своим собственным ремонтным сервисом, где Вы можете получить услуги по: ремонту, наладке, калибровке, гарантийному и послегарантийному обслуживанию измерительного оборудования, как приобретенного у нас, так и у других поставщиков. Сервис работает на основе лицензии, выданной Ростехрегулированием РФ.

 
Подробнее
 
Сервисное обслуживание
Простой обмен и возврат
Поможем решить любую проблему с товаром
Собственный сервисный центр
Устраним любую неисправность по гарантии. Срок указан без учета логистики
Сервисы по всей России
Обращайтесь за обслуживанием в авторизованные сервисы производителя
Похожие товары
 
Полезные статьи
При выборе манометра необходимо учитывать ряд важных факторов, чтобы прибор подходил для конкретной системы.
Уровень влажности в помещении играет важную роль в формировании оптимальных условий для комфортного пребывания. Для определения этого параметра используются устройства, называемые гигрометрами. В этой статье мы расскажем, как выбрать подходящее оборудование такого типа для различных объектов.
Осциллограф — это прибор для наблюдения, измерения, записи и анализа амплитудных и временных характеристик электрического сигнала. Подаваемый на вход устройства, он отображается либо на экране, либо фиксируется на фотоленте для последующего изучения.
Если вы задумались о приобретении мультиметра, важно заранее ознакомиться с рядом полезных рекомендаций, которые помогут сделать правильный выбор. Мы подготовили небольшую статью, которая, надеемся, окажется полезной.
Цифровой тахометр — это прибор, предназначенный для измерения частоты вращения различных объектов, таких как валы, двигатели и роторы. В отличие от аналоговых моделей, цифровые тахометры обеспечивают высокую точность измерений и удобство использования благодаря современным технологиям и информативному дисплею. Они широко используются в самых разных отраслях: от автомобильного сервиса и промышленности до научных исследований и контроля вентиляционных систем.
Мегаомметр – это специализированный прибор, предназначенный для измерения сопротивления изоляции электрических цепей и оборудования. В условиях современного мира, где электричество играет ключевую роль во всех сферах жизни, обеспечение безопасности и надежности электрических систем становится особенно важным. От качества изоляции проводников и оборудования зависит не только эффективность их работы, но и безопасность людей и объектов, которые они обслуживают.
Измерительные приборы играют ключевую роль в различных отраслях, начиная от промышленности и строительства, заканчивая медициной и научными исследованиями. Правильная эксплуатация и уход за этими приборами являются залогом точных измерений и долговечности оборудования.
Осциллографы играют ключевую роль в современных лабораториях и на производственных предприятиях, являясь незаменимым инструментом для анализа и визуализации электрических сигналов. Независимо от того, являетесь ли вы инженером-электронщиком, студентом технического вуза или энтузиастом электроники, понимание принципов работы осциллографов, их видов и характеристик, а также правил эксплуатации и ухода за ними, имеет первостепенное значение.
Амперметр предназначен для измерения величины тока в электрических цепях, выраженной в амперах. В основе его работы лежит простой принцип: инструмент позволяет наглядно увидеть мощность тока, потребляемого устройствами, подключенными к сети. Обычно амперметр подключают в цепь с нагрузкой, поэтому ток, протекающий через него, идентичен току, проходящему через любой другой элемент цепи, будь то нагреватель, мотор или лампочка.
На этапах возведения, отделки и монтажа различных сооружений большую роль играют точность разметки и идеальное выравнивание. Достижение профессиональных стандартов качества возможно при использовании лазерного нивелира. Для выбора подходящей модели целесообразно ознакомиться с механизмом работы этих устройств.
Новинки
Недавно просмотренные