Горелка предназначена для сжигания жидкого топлива в водогрейных котлах.
Горелка выполнена в блочном исполнении с плавной регулировкой тепловой мощности. Система управления горелки выполняет следующие функции: автоматический пуск и остановку горелки по заданному алгоритму, остановку горелки при аварийных ситуациях, поддержание заданной температуры воды, регулирование соотношения «топливо-воздух».
Таблица 1 – Основные параметры
Наименование параметра | Значение параметра | |||
1. Номинальная тепловая мощность МВт | 1,2 | 2,4 | 3,6 | |
2. Коэффициэнт рабочего регулирования не менее | 5 | |||
3. Номинальное давление топлива -мазут -лёгкое жидкое топливо |
20 |
100 |
350 200 | |
4. Номинальный расход жидкого топлива при Qcн=40,53МДж/кг (9680 ккал/кг), кг/ч |
107 |
214 |
320 | |
5. Кинематическая вязкость жидкого топлива перед горелкой , мм2/сек, не более |
44 | |||
6. Температура воздуха перед горелкой ,С | От 10 до 40 | |||
7. Избыточное давление в камере горения, Па, не более |
700 |
850 |
1000 | |
8.Коэффициэнт избытка воздуха при номинальной тепловой мощности ,не более |
1,2 | |||
9. Содержание окиси углерода в сухих продуктах сгорания (при а=1,0) в диапазоне рабочего регулирования, мг/м3, не более -мазута -лёгкого жидкого топлива |
50 200 | |||
10. . Содержание оксидов азота в сухих продуктах сгорания в пересчёте наNO2 (при а=1,0), при номинальной тепловой мощности, мг /м3, не более |
300 | |||
11. Потери тепла от химической неполноты сгорания в диапазоне рабочего регулирования, % не более |
0,5 | |||
12. Сажевое число по шкале Бахараха в диапазоне рабочего регулирования, не более: -при сжигании мазута -при сжигании лёгкого жидкого топлива |
3 2 | |||
13. Номинальное давление газа перед запальной горелкой, Па -природного -сжиженного |
450 170 | |||
14. Номинальное напряжение питания, (50 Гц), В | 220/380 | |||
15. Потребляемая мощность, кВт, не более |
|
| 6 | |
16. Габаритные размеры, мм, не более: -длинна С -ширина В -высота А |
|
|
880 810 1275 | |
17. Масса, кг, не более |
|
| 260 | |
18. Топливо | Мазут ГОСТ 10585-75, топливо дизельное ГОСТ 305-82 | |||
19. Длина факела при номинальной тепловой мощности |
От 1,8 до 3,2 | |||
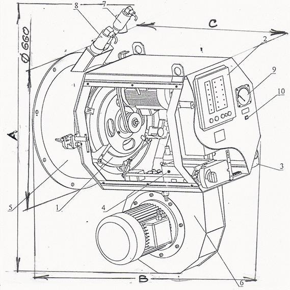
Общий вид горелки
1. ротационная форсунка
2. блок управления
3. блок регулирования топлива
4. блок заслонок
5. фланец
6. вентилятор
7. запальная горелка
8. фотореле пламени
9. манометр
10. выключатель подогрева топлива
ДОСТАВКА
Вы можете выбрать любой наиболее удобный способ из перечисленных ниже:
Доставка до терминала ТК «Деловые линии» осуществляется нами бесплатно.
ОПЛАТА
Мы принимаем оплату:
Цены на поставляемые нами товар всегда ниже, чем у наших конкурентов.
Условия гарантийного обслуживания
Гарантия не распространяется на ущерб, причиненный другому оборудованию, работающему вместе с данным изделием.
Центр измерительной техники «Эталонприбор» располагает своим собственным ремонтным сервисом, где Вы можете получить услуги по: ремонту, наладке, калибровке, гарантийному и послегарантийному обслуживанию измерительного оборудования, как приобретенного у нас, так и у других поставщиков. Сервис работает на основе лицензии, выданной Ростехрегулированием РФ.
