Реле указательное РЭУ-11-12 применяется для сигнализации аварийного состояния в цепях постоянного тока напряжением до 220В, переменного тока напряжением до 380В частоты 50Гц и напряжением до 440В частоты 60Гц и применяются в устройствах автоматики, в том числе сейсмостойких, в качестве комплектующих изделий.
Реле РЭУ-11-12 - с двумя размыкающими контактами без самовозврата и одним замыкающим контактом с самовозвратом.
Структура условного обозначения реле РЭУ-11-12-40-x3:
Номинальное напряжение цепей контактов без самовозврата, В | 24-220 |
Длительно допустимая сила тока цепей контактов без самовозврата, не более, А | 5 |
Коммутируемая мощность, не более, Вт | 6 |
Масса, грамм | 170 |
Замыкающие | Размыкающие без самовозврата | |
без самовозврата | с самовозвратом | |
0 | 1 | 2 |
Номинальное напряжение, В | Номинальная частота, Гц | Сопротивление обмотки, Ом | |
активное | полное | ||
12 | — | 90…110 | — |
24 | — | 360…440 | — |
48 | — | 1410…1700 | — |
110 | — | 7560…9240 | — |
110 | 50 | 1000 | 2420 |
220 | — | 30000…39000 | — |
220 | 50/60 | 3500/2400 | 9680 |
230 | 50/60 | 3840/2520 | 10580/10580 |
240 | 50 | 4040 | 11520 |
380 | 50/60 | 11800/8000 | 28880/28880 |
400 | 60 | 9000 | 32000 |
415 | 60 | 11000 | 34445 |
440 | 60 | 11900 | 38720 |
Номинальная сила тока, А | Сопротивление обмотки,Ом | |
активное, для реле постоянного тока | полное, для реле переменного тока 50/60Гц | |
0.006 | 6400…7000 | — |
0.010 | 1950…2290 | — |
0.016 | 824…936 | — |
0.025 | 340…400 | 3200 |
0.050 | 88…98 | 3200 |
0.060 | 55…62 | — |
0.080 | 28…39 | 312 |
0.10 | 17.3…19.9 | 200 |
0.16 | 6.5…7.3 | 78 |
0.25 | 2.74…3.1 | 32 |
0.40 | 1.1…1.24 | 12.5 |
0.50 | 0.6…0.7 | 8 |
1.0 | 0.17…0.21 | 2 |
2.5 | 0.03…0.035 | 0.32 |
4.0 | 0.015…0.0155 | — |
Род тока | постоянный | переменный | ||
Реле с обмоткой | напряжения | тока | напряжение | тока |
Потребляемая мощность | 1.75Вт | 0.25Вт | 5В·А | 2В·А |
Напряжение или сила тока срабатывания | 0.7 Uном | 0.85 Iном | 0.8 Uном | 0.9 Iном |

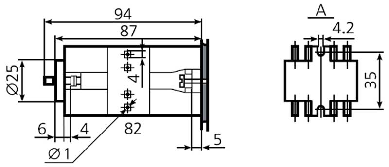
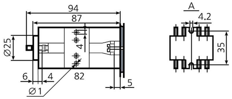
Габаритная схема реле

Схема подключения
ДОСТАВКА
Вы можете выбрать любой наиболее удобный способ из перечисленных ниже:
Доставка до терминала ТК «Деловые линии» осуществляется нами бесплатно.
ОПЛАТА
Мы принимаем оплату:
Цены на поставляемые нами товар всегда ниже, чем у наших конкурентов.
Условия гарантийного обслуживания
Гарантия не распространяется на ущерб, причиненный другому оборудованию, работающему вместе с данным изделием.
Центр измерительной техники «Эталонприбор» располагает своим собственным ремонтным сервисом, где Вы можете получить услуги по: ремонту, наладке, калибровке, гарантийному и послегарантийному обслуживанию измерительного оборудования, как приобретенного у нас, так и у других поставщиков. Сервис работает на основе лицензии, выданной Ростехрегулированием РФ.
