Энкодер 5000 предназначен для преобразования линейного или углового перемещения в аналоговый или цифровой сигнал.

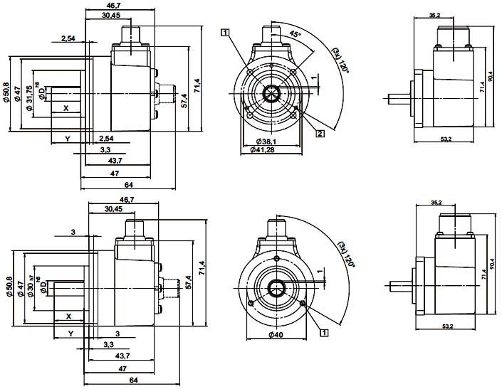
Схема - габаритные размеры энкодера
| Скорость без уплотнения вала | max. 12000 min-1 |
| Скорость с уплотнением вала | max. 6000 min- |
| Момент инерции вала | ~1,8 x 10-6 kgm2 |
| Радиальная нагрузка на валу | 80 N |
| Осевая нагрузка на валу | 40 N |
| Степень защиты | IP65 (без уплотнения вала) IP67 (с уплотнением вала) |
| Масса | 400 грамм |
| Вал | сталь нержавеющая, h8 |
| Выход | RS422 (совместим с TTL) | RS422 (совместим с TTL) | Open collector (7273) | Push-pull(7272) |
| Напряжение питания | 5...30 VDC | 5 V (+/- 5%) | 5...30 VDC | 5...30 VDC |
| Потребление тока без нагрузки | раб. 40mA | раб. 40mA | раб. 50 mA / | раб. 50 mA / |
| Допустимая нагрузка/канал | max. 90 mA max. +/- 20 mA | max. 90 mA max. +/- 20 mA | max. 100 mA max. +/- 20 mA | max. 100 mA max. +/- 20 mA |
| Частота | max. 300 kHz | max. 300 kHz | max. 300 kHz | max. 300 kHz |
| Уровень верхнего сигнала | min.2,5 V | min.2,5 V | - | min. UB-2V |
| Уровень нижнего сигнала | max. 0,5 V | max. 0,5 V | - | max. 2,5 V |
| Время наростания/падения сигнала | max. 200 ns | max. 200 ns | max. 1s | max. 1s |
| Защита от короткого замыкания выхода | да | |||
| Защита от обратной полярности | нет | |||
ДОСТАВКА
Вы можете выбрать любой наиболее удобный способ из перечисленных ниже:
Доставка до терминала ТК «Деловые линии» осуществляется нами бесплатно.
ОПЛАТА
Мы принимаем оплату:
Цены на поставляемые нами товар всегда ниже, чем у наших конкурентов.
Условия гарантийного обслуживания
Гарантия не распространяется на ущерб, причиненный другому оборудованию, работающему вместе с данным изделием.
Центр измерительной техники «Эталонприбор» располагает своим собственным ремонтным сервисом, где Вы можете получить услуги по: ремонту, наладке, калибровке, гарантийному и послегарантийному обслуживанию измерительного оборудования, как приобретенного у нас, так и у других поставщиков. Сервис работает на основе лицензии, выданной Ростехрегулированием РФ.
