Клапаны запорные УФ 96271-015, УФ 96271- 025, УФ 96271-050 , УФ 96271-080 предназначены для установки в качестве запорных устройств на магистралях подачи воды, мыльно-содового раствора или крахмала.
| Модификация | DN, мм | Вид присоединения | Масса, кг |
| УФ96271-015 22Б603р | 15 | муфтовое | 1,5 |
| УФ96271-025 22Б603р | 25 | 2,3 | |
| УФ96271-050 22Б603р | 50 | 5,95 | |
| УФ96271-080 22Б603р | 80 | фланцевое | 15,0 |

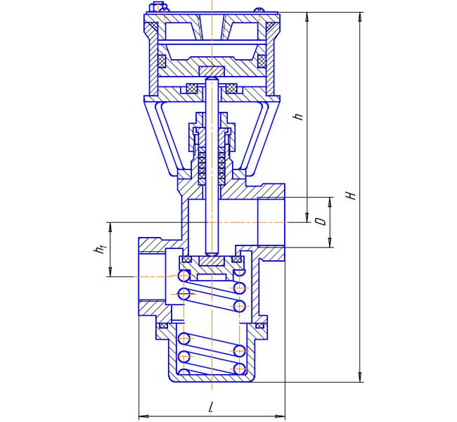
Схема - габариты и конструкция клапана
| Модификация | Размеры, мм | ||||
| D | L | H | h | h1 | |
| УФ96271-015 22Б603р | G1/2 -В | 55 | 192 | 118 | 22 |
| УФ96271-025 22Б603р | G1-В | 80 | 212 | 120 | 34 |
| УФ96271-050 22Б603р | G2-В | 130 | 134 | 207 | 45 |
| УФ96271-080 22Б603р | - - - | 200 | 385 | 215 | - - |
ДОСТАВКА
Вы можете выбрать любой наиболее удобный способ из перечисленных ниже:
Доставка до терминала ТК «Деловые линии» осуществляется нами бесплатно.
ОПЛАТА
Мы принимаем оплату:
Цены на поставляемые нами товар всегда ниже, чем у наших конкурентов.
Условия гарантийного обслуживания
Гарантия не распространяется на ущерб, причиненный другому оборудованию, работающему вместе с данным изделием.
Центр измерительной техники «Эталонприбор» располагает своим собственным ремонтным сервисом, где Вы можете получить услуги по: ремонту, наладке, калибровке, гарантийному и послегарантийному обслуживанию измерительного оборудования, как приобретенного у нас, так и у других поставщиков. Сервис работает на основе лицензии, выданной Ростехрегулированием РФ.
