Модули предназначены для управления по сигналам из сети RS-485 встроенными дискретными ВЭ, используемыми для подключения исполнительных механизмов с дискретным управлением, и сбора данных с дискретных входов модуля с передачей их в сеть RS-485.
Коммуникационные возможности | |
Интерфейс | RS-485 |
Поддерживаемые протоколы | Modbus RTU Modbus ASCII ОВЕН DCON |
Скорость обмена по RS-485 | 2400…115200 бит/с |
Конфигурирование модулей Мx110 осуществляется на ПК через адаптер интерфейса RS-485/RS-232 или RS-485/USB (например, ОВЕН АСЗ-М или ОВЕН АС4, соответственно) с помощью программы «Конфигуратор М110», входящей в комплект поставки.
Модификация | МК110-220.4ДН.4Р | МК110-224.8ДН.4Р | МК110-224.8Д.4Р | МК110-220.4К.4Р | |||
| ![]() | ![]() | ![]() | ![]() | |||
Входы/выходы | |||||||
Количество входов/выходов | 4 DI / 4 DO | 8 DI / 4 DO | 4 DI / 4 DO | ||||
Тип | входов |
|
| кондуктометрические датчики | |||
выходов | реле электромагнитное | ||||||
Характеристики дискретных входов (DI) | |||||||
Гальваническая развязка входов | поканальная | групповая (по 4 входа) | поканальная | ||||
Электрическая прочность изоляции | 1500 В | ||||||
Макс. частота входного сигнала | 1 кГц | – | |||||
Мин. длительность входного сигнала | 0,5 мс (скважность 2 для частоты 1 кГц) | – | |||||
Напряжение питания входов | 24 ±3 В | 24 ±3 В для транзисторных ключей Для «сухих контактов» питание не требуется! | от внутреннего источника не более 17 В переменного тока частотой от 1,5 до 2,5 Гц | ||||
Макс. входной ток | не более 8,5 мА (при напряжении входа =27 В) | не более 7 мА | не более 1 мА | ||||
Суммарное сопротивление внешнего контакта и линии подключения | – | не более 100 Ом | – | ||||
Ток «логической единицы» | не менее 4,5 мА | – | |||||
Ток «логического нуля» | не более 1,5 мА | – | |||||
Характеристики дискретных выходов (DO) | |||||||
Максимальная нагрузочная способность дискретных выходов | 4 А (при переменном напряжении не более ~250 В 50 Гц и cos φ>0,4) 4 А (при постоянном напряжении не более =24 В) | 5 А (при переменном напряжении не более ~250 В 50 Гц и cos φ>0,4) 3 А (при постоянном напряжении не более =24 В) | |||||
Питание | |||||||
Тип питания | ~230 В | универсальное ~230 В/=24 В | ~230 В | ||||
Напряжение питания | переменное: ~90…264 В (номинальное ~230) частотой 47…63 Гц | переменное: ~90…264 В (номинальное ~230 В) частотой 47…63 Гц или постоянное: =18…30 В (номинальное =24 В) | переменное: ~90…264 В (номинальное ~230 В) частотой 47…63 Гц | ||||
Потребляемая мощность | не более 12 ВА | не более 6 ВА | |||||
Напряжение встроенного источника питания | =24 ±3 В | – | |||||
Ток встроенного источника питания | не более 180 мА | – | |||||
Конструктивное исполнение | |||||||
Габаритные размеры | (63×110×75) ±1 мм | ||||||
Степень защиты | IP20 | ||||||
Монтаж | на DIN-рейку / на стену | ||||||
Условия эксплуатации | |||||||
Температура окружающего воздуха | -10…+55 °С | ||||||
Относительная влажность воздуха (при +25 °С и ниже без конденсации влаги) | не более 80 % | ||||||
Комплектность | |||||||
Модуль | 1 шт. | ||||||
Паспорт / Гарантийный талон | 1 экз. | ||||||
Руководство по эксплуатации | 1 экз. | ||||||
Компакт-диск с программным обеспечением | 1 шт. | ||||||
МК110-220.4ДН.4Р | МК110-224.8ДН.4Р | МК110-224.8Д.4Р | МК110-220.4К.4Р |
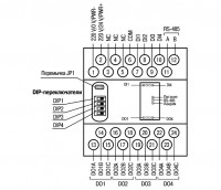
Общий чертеж | |||
![]() | ![]() | ![]() | ![]() |
Схема подключения к выходным элементам типа электромагнитное реле | |||
![]() | ![]() | ![]() | |
Схема подключения дискретных датчиков с выходом типа «сухой контакт» | |||
![]() | ![]() | ![]() | – |
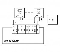
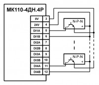
Схема подключения трехпроводных дискретных датчиков, имеющих выходной транзистор n-p-n типа с открытым коллектором | |||
![]() | ![]() | ![]() | – |
Схема подключения трехпроводных дискретных датчиков, имеющих выходной транзистор p-n-p типа | |||
![]() | ![]() | – | – |
Схема подключения кондуктометрических датчиков уровня | |||
– | – | – | ![]() |
ДОСТАВКА
Вы можете выбрать любой наиболее удобный способ из перечисленных ниже:
Доставка до терминала ТК «Деловые линии» осуществляется нами бесплатно.
ОПЛАТА
Мы принимаем оплату:
Цены на поставляемые нами товар всегда ниже, чем у наших конкурентов.
Условия гарантийного обслуживания
Гарантия не распространяется на ущерб, причиненный другому оборудованию, работающему вместе с данным изделием.
Центр измерительной техники «Эталонприбор» располагает своим собственным ремонтным сервисом, где Вы можете получить услуги по: ремонту, наладке, калибровке, гарантийному и послегарантийному обслуживанию измерительного оборудования, как приобретенного у нас, так и у других поставщиков. Сервис работает на основе лицензии, выданной Ростехрегулированием РФ.
