Насос нерегулируемый 50НС32/2 с постоянным по значению и направлению потоком рабочей жидкости предназначен для нагнетания рабочей жидкости в гидросистемы.
Насос 50НС32/2 обеспечивает получение одного или двух потоков рабочей жидкости с номинальным давлением до 50 МПа (500 кгс/см2) и одного или двух потоков с номинальным давлением до 2,5 МПа (25 кгс/см2).
Для нагнетания рабочей жидкости в гидросистемы различных подъемников, кузнечнопрессового оборудования, горно-металлургических установок, термопластавтоматов.
Подача (расход), л/мин | 2x22 |
Давление, МПа | 50 |
Частота вращения, с-1 | 25 |
Мощность, кВт | 40,3 |
Масса, кг | 43,5 |

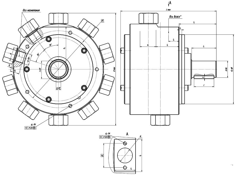
Конструктивная схема насоса
L, мм | 390 |
l1, мм | 80 |
l2, мм | 120 |
l3, мм | 37 |
l4, мм | 24 |
l5, мм | 8 |
l6, мм | 83 |
l7, мм | 50 |
l8, мм | 282 |
h1, мм | 2 |
h2, мм | 18 |
h3, мм | 102 |
a1, мм | 56 |
a2, мм | 80 |
D, мм | 288 |
d, мм | 36 |
d1, мм | 195 |
d2, мм | 175 |
d3, мм | М10x1,5 |
d4, мм | 31 |
d5, мм | М8x1,5 |
d6, мм | М27x1,5 |
d7, мм | 35 |
bxhxl, мм | 10x8x56 |
t, мм | 39 |
ДОСТАВКА
Вы можете выбрать любой наиболее удобный способ из перечисленных ниже:
Доставка до терминала ТК «Деловые линии» осуществляется нами бесплатно.
ОПЛАТА
Мы принимаем оплату:
Цены на поставляемые нами товар всегда ниже, чем у наших конкурентов.
Условия гарантийного обслуживания
Гарантия не распространяется на ущерб, причиненный другому оборудованию, работающему вместе с данным изделием.
Центр измерительной техники «Эталонприбор» располагает своим собственным ремонтным сервисом, где Вы можете получить услуги по: ремонту, наладке, калибровке, гарантийному и послегарантийному обслуживанию измерительного оборудования, как приобретенного у нас, так и у других поставщиков. Сервис работает на основе лицензии, выданной Ростехрегулированием РФ.
