Насосы шестеренные серии К группа 2.5 (16...45 куб см.) предназначены для гидросистем с давлением до 25 МПа.
Насосы шестеренные серии «К» изготавливаются со сквозным равнопрочным корпусом из алюминиевого проката.
Цельнолитые втулки из высокопрочного алюминиевого сплава, которые изготавливаются методом литья под давлением, придают им высокие антифрикционные и прочностные характеристики.
Код рабочего объема, см3/об | 16 | 19 | 20 | 23 | 25 | 28 | 30 |
Номинальное давление, МПа | 25 | ||||||
Максимальное кратковременное давление, МПа | 28 | ||||||
Максимальное пиковое давление, МПа | 30 | ||||||
Максимальная частота вращения, мин-1 | 3000 | ||||||
Минимальная частота вращения, мин-1 | 700 | 600 | |||||
Код рабочего объема, см3/об | 32 | 36 | 37 | 38 | 40 | 45 | |
Номинальное давление, МПа | 23 | 20 | 22 | 21 | |||
Максимальное кратковременное давление, МПа | 25 | 22 | 25 | 23 | |||
Максимальное пиковое давление, МПа | 26 | 24 | 21 | ||||
Максимальная частота вращения, мин-1 | 3000 | 2750 | 2500 | ||||
Минимальная частота вращения, мин-1 | 600 | 500 | |||||

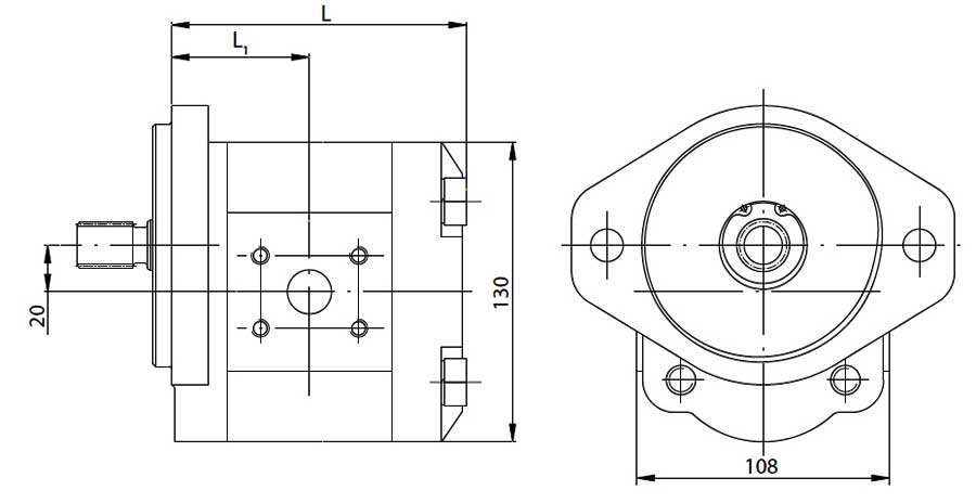
Схема - габаритные и присоединительные размеры
Код рабочего объема, см3/об | 16 | 19 | 20 | 23 | 25 | 28 |
Размер L, мм | 125,3 | 128,5 | 129,7 | 133 | 135,2 | 138,5 |
Размер L1, мм | 56,9 | 58,5 | 59,1 | 60,75 | 61,85 | 63,5 |
Код рабочего объема, см3/об | 30 | 32 | 36 | 38 | 40 | 45 |
Размер L, мм | 140,8 | 143 | 157,5 | 159,7 | 161,5 | 167 |
Размер L1, мм | 64,65 | 65,75 | 73 | 74,1 | 75 | 77,75 |
ДОСТАВКА
Вы можете выбрать любой наиболее удобный способ из перечисленных ниже:
Доставка до терминала ТК «Деловые линии» осуществляется нами бесплатно.
ОПЛАТА
Мы принимаем оплату:
Цены на поставляемые нами товар всегда ниже, чем у наших конкурентов.
Условия гарантийного обслуживания
Гарантия не распространяется на ущерб, причиненный другому оборудованию, работающему вместе с данным изделием.
Центр измерительной техники «Эталонприбор» располагает своим собственным ремонтным сервисом, где Вы можете получить услуги по: ремонту, наладке, калибровке, гарантийному и послегарантийному обслуживанию измерительного оборудования, как приобретенного у нас, так и у других поставщиков. Сервис работает на основе лицензии, выданной Ростехрегулированием РФ.
